Perfiles Europeos
Perfiles Europeo y Africanos
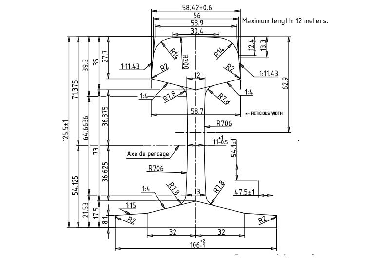
AULASA ofrece una amplia fabricación de carriles ligeros desde 7 hasta 45 Kg/m según las normas europeas DIN 5901; EN-13674-4; DIN536; AFNOR y British Standard. Los carriles se ofrecen en las diferentes longitudes estándar como son 6, 8, 9, 10 y 12 m. Otras longitudes como 15 m y 18 m pueden ofertarse bajo pedido.
Tabla de Características
Características del Carril ligero para los perfiles europeos:
TIPO |
PESO | ALTURA H | BASE F | CABEZA K | ALMA S |
|---|---|---|---|---|---|
| kg/m | mm | mm | mm | mm | |
| S7 | 6,75 | 65 |
50 | 25 | 5 |
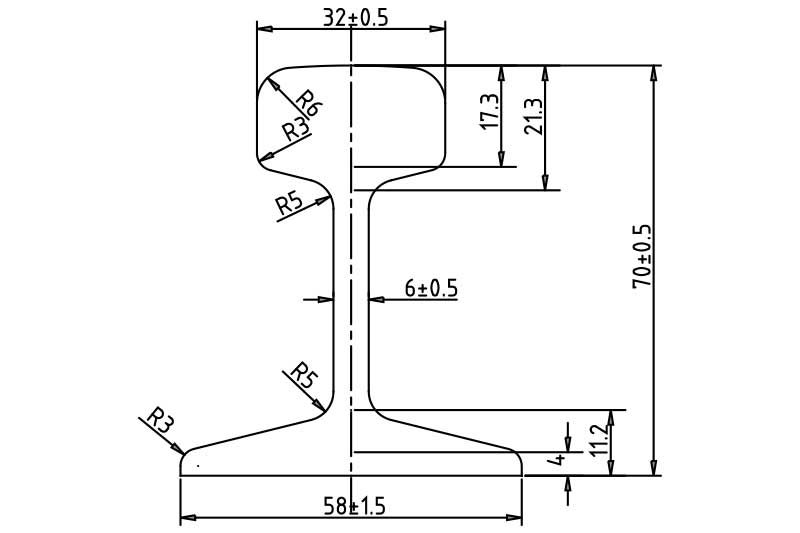
| S10 | 10 | 70 | 58 | 32 | 6 |
| S14 | 14 | 80 | 70 | 38 | 9 |
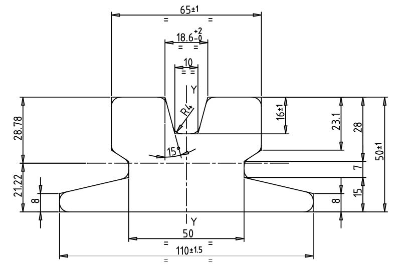
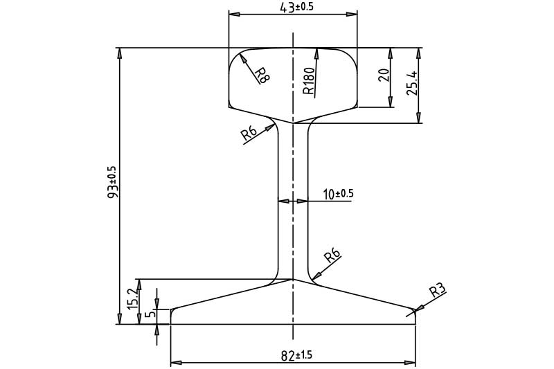
| S18 | 18,3 | 93 | 82 | 43 | 10 |
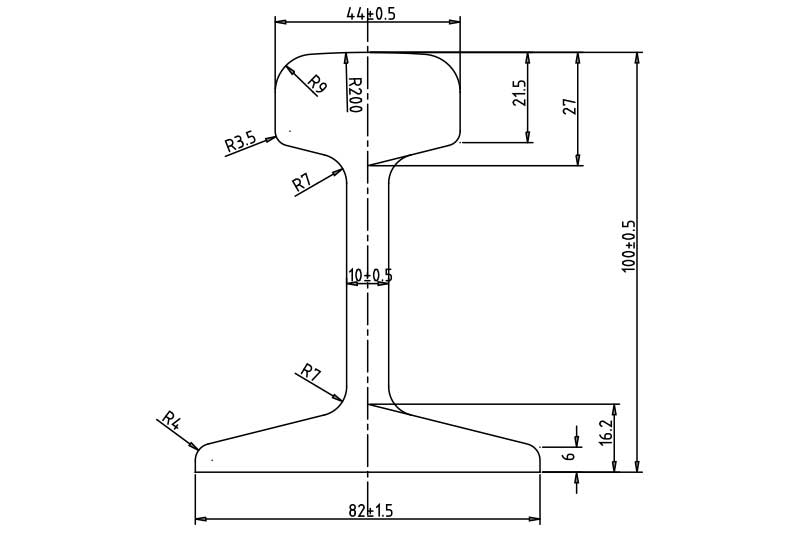
| S20 | 19,84 | 100 | 82 | 44 | 10 |
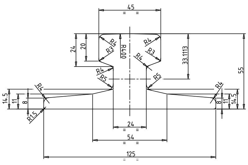
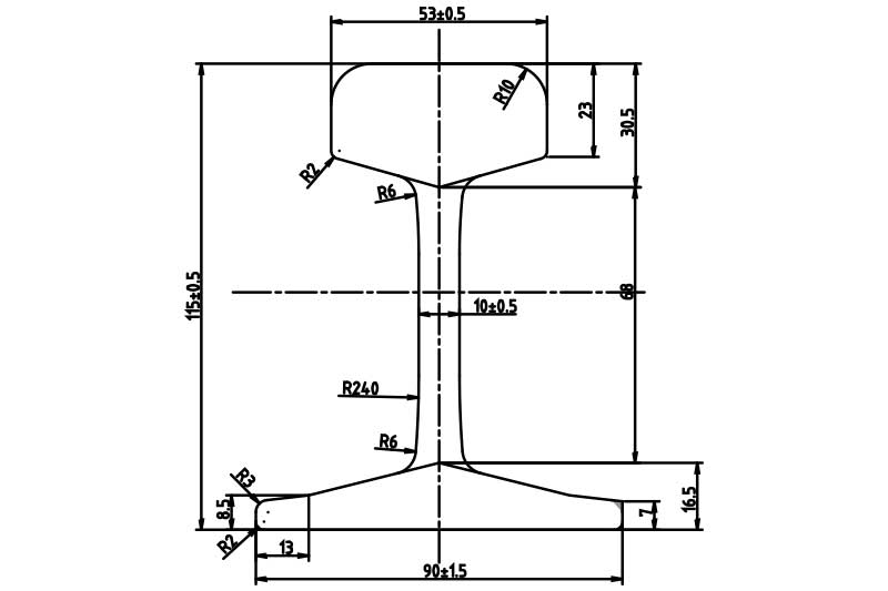
| S24 | 24,43 | 115 | 90 | 53 | 10 |
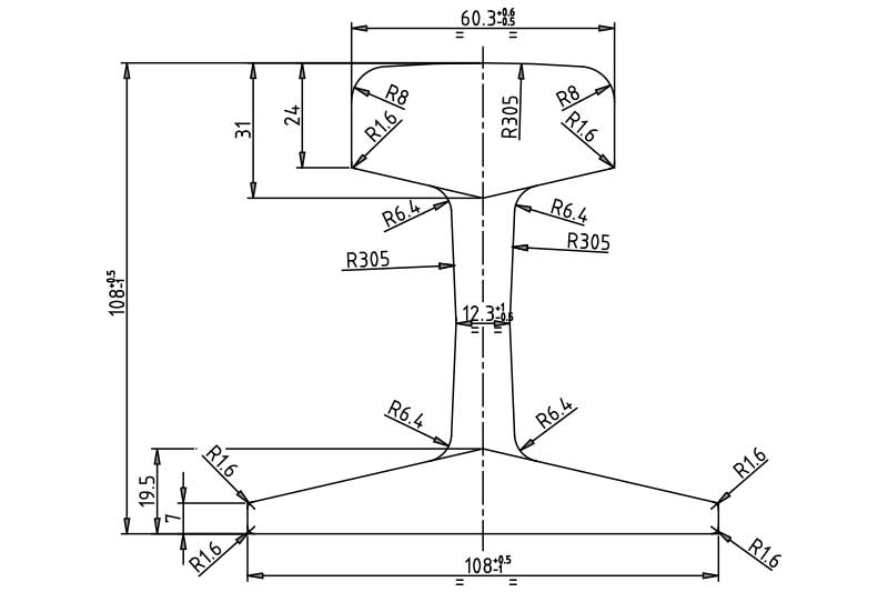
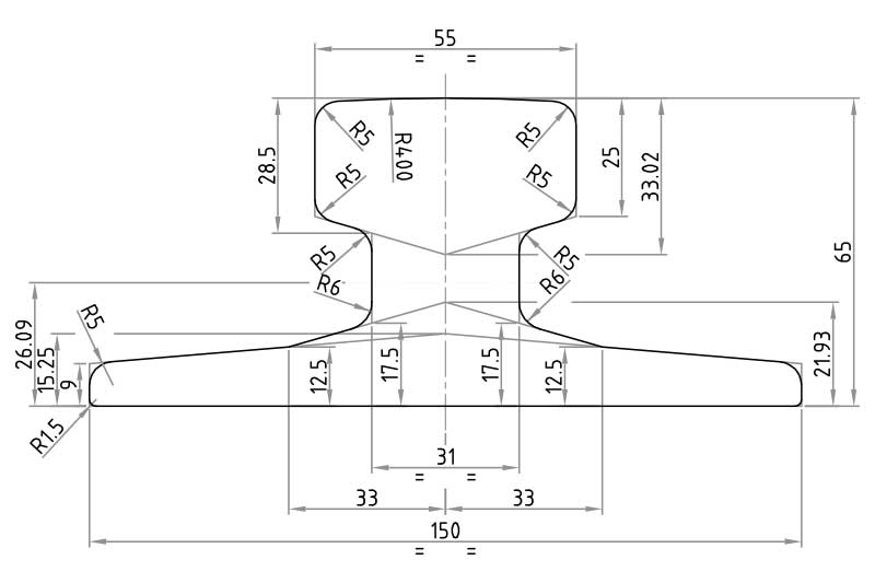
| S30-30E1 | 30 | 108 | 108 | 60,3 | 12,3 |
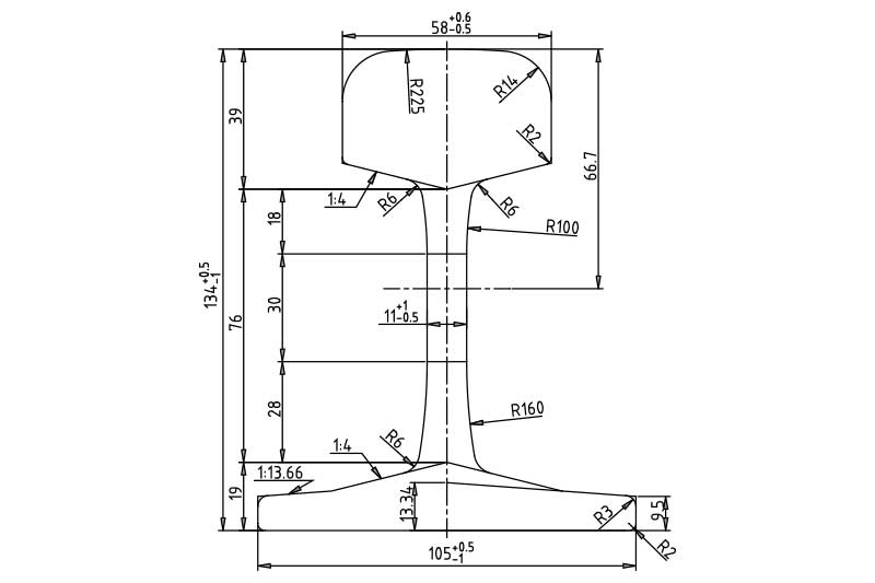
| S33-33E1 | 33,47 | 134 | 105 | 58 | 11 |
| AFNOR26 | 26,27 | 110 | 100 | 50 | 10 |
| AFNOR30 | 30,15 | 125,5 | 106 | 58,6 | 11 |
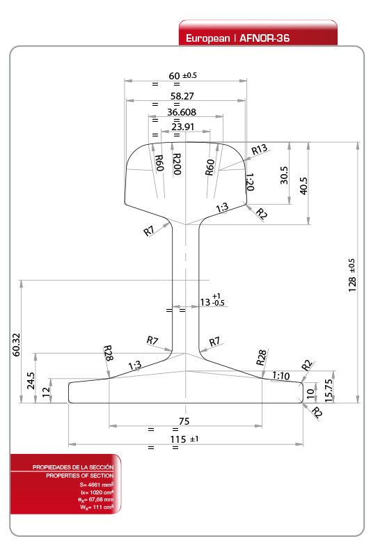
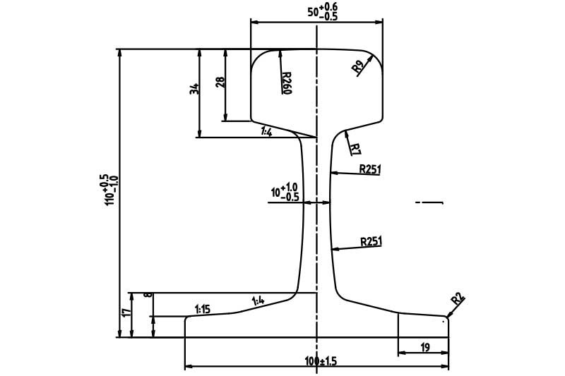
| AFNOR36-36E2 | 36,59 | 128 | 115 | 58,27 | 13 |
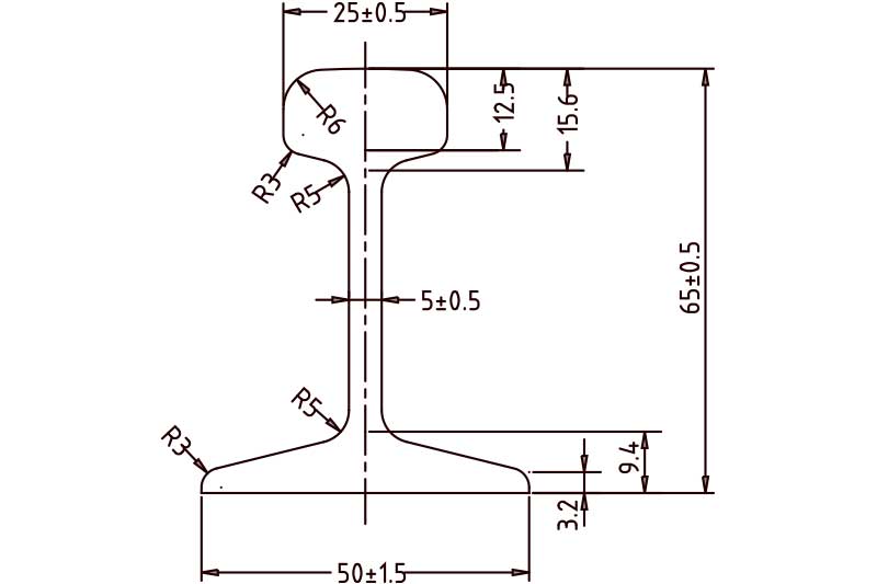
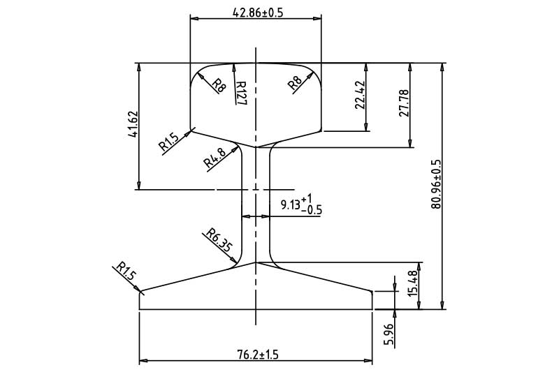
| BS35M | 17,4 | 80,96 | 76,2 | 42,86 | 9,13 |
| BS35R | 17,4 | 85,7 | 82,6 | 44,4 | 8,3 |
| A-45 | 22,1 | 55 | 125 | 45 | - |
| A-55 | 31,8 | 65 | 150 | 55 | - |
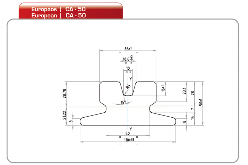
| CA-50 | 26,15 | 50 | 110 | 65 | - |
| ZAMBIA91 | 45,15 | 150,81 | 127 | 67,47 | 13,98 |
| SAR 48 | 48,07 | 150 | 127 | 68 | 14 |
Normas
Calidades del acero según normas y calidad Aulasa:
PERFIL |
CLASE DE ACERO | |
|---|---|---|
| SEGÚN NORMA | SEGÚN CALIDAD AULASA | |
| S7, S10 | R-550 | R-550 |
| S14 | R-550 | R-700 |
| S18, S20 | R-550 | R-800 |
| S24, S30, S33 | R-700 | R-800 |
| 30-E1, 33-E1 | R-220 | R-220 |
| BS35M, BS35R | R-700 | R-800 |
| AFNOR26, AFNOR30 | R-700/R-900 | R-800/R-900 |
| AFNOR36 | R-260 | R-900 | A45-A55 | R-700 | R-700 |
| CA50 | * | R-900 |
Perforación
Tabla de longitudes, taladros y planos:
PERFIL |
DISTANCIAS (mm) | DIÁMETRO DEL AGUJERO (mm) | ALTURA | |
|---|---|---|---|---|
| W1 | V | d | Z | |
| S7 | 33 | 70 | 14 | 29,4 |
| S10 | 35 | 75 | 16 | 30 |
| S14 | 35 | 90 | 16 | 35,8 |
| S18 | 35 | 90 | 20 | 41,4 |
| S20 | 35 | 90 | 20 | 44,6 |
| S24 | 61 | 120 | 30 | 50,5 |
| S30-30E1 | 63,5 | 127 | 25,5 | 48,25 |
| S33-33E1 | 61 | 120 | 30 | 57 |
| AFNOR26 | 66 | 140 | 23 | 46,5 |
| AFNOR30 | 47,5 | 110 | 26 | 54,1 |
| AFNOR36 | 58,5 | 160 | 23 | 56 |
| BS35M | 41,27 | 88,90 | 19,05 | 34,13 |
| BS35R | 41,3 | 88,90 | 22,2 | 35,3 |